Project information
- Project Name: Low Noise Amplifier
- Project Type: IEEE Paper
- Access to the Paper: IEEE
- DOI: 10.1109/ICEE59167.2023.10334927.
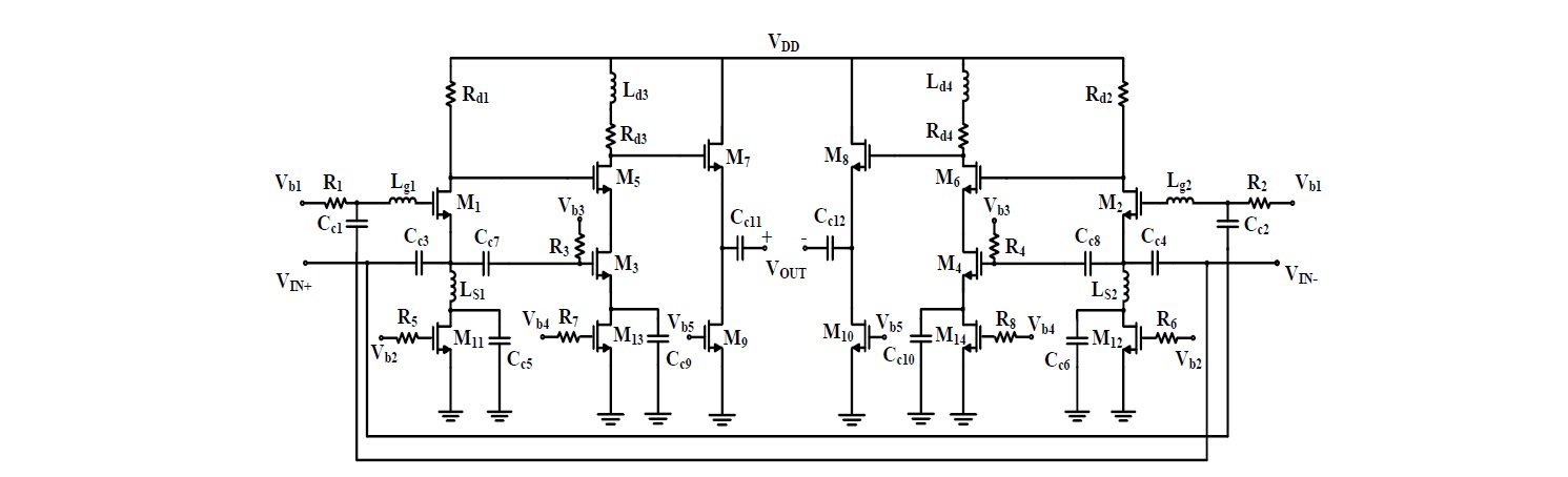
A High Linearity Wideband Low-Noise Amplifier Using Capacitor Cross-Coupled Common-Gate Structure
A high linearity wideband Low-Noise Amplifier (LNA) that uses Capacitor Cross-Coupled Common-Gate structure is proposed in this paper. The proposed design uses a differential topology with a common-source stage and a Capacitor Cross-Coupled Common-Gate (CCC-CG) amplifier to increase the linearity of the circuit.